Anwendungsbeispiel Zweihandsteuerung
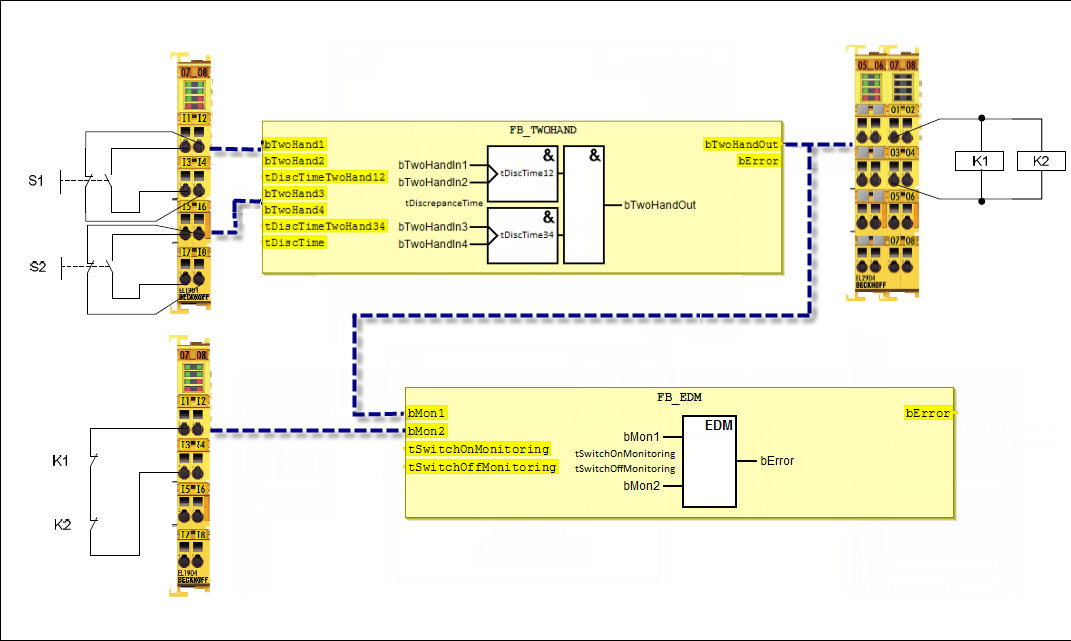
Als CODESYS Safety for EtherCAT Safety Module-Programmierbeispiel wird eine Zweihandsteuerung (Kategorie 4, PL e) als FUP implementiert.
Die Zweihandtaster bestehen jeweils aus einer Kombination von Öffner und Schließer auf den sicheren Eingängen eines Eingangsmoduls (z. B. EL1904). Die Prüfung der Eingänge ist aktiv und auch die Signale werden auf Diskrepanz (200 ms) geprüft. Zusätzlich ist die synchrone Betätigung der beiden Taster mit einer Überwachungszeit von 500 ms aktiviert.
Der Rückführkreis wird über einen sicheren Eingang eingelesen. An dem sicheren Ausgang werden die Schütze K1 und K2 parallel angeschlossen. Für diese Beschaltung sind die Strommessung und die Prüfung des Ausgangs aktiv.


Name | Datentyp | Beschreibung |
|---|---|---|
|
| Zweihandtaster 1: Schließer |
|
| Zweihandtaster 1: Öffner |
|
| Zweihandtaster 2: Schließer |
|
| Zweihandtaster 2: Öffner |
|
| Kontakte von |
Name | Datentyp | Beschreibung |
|---|---|---|
|
| Ansteuerung der Schütze |
|
| Fehlerflag von |
|
| Fehlerflag von |
Baustein | Eingang | Konstanter Wert | Beschreibung |
|---|---|---|---|
|
|
| Diskrepanzzeit zwischen Öffnerkontakt und Schließerkontakt von |
|
|
| Diskrepanzzeit zwischen Öffnerkontakt und Schließerkontakt von |
|
|
| Diskrepanzzeit zwischen |
|
|
| Einschaltverzögerung |
|
|
| Ausschaltverzögerung |