Elemento FBD/LD/IL : Derivación de conductor
Símbolo: 
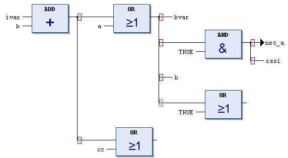
El elemento está disponible en el editor LD y FBD y representa una rama abierta. Una rama divide la línea de procesamiento desde la posición actual del cursor en dos subredes que se ejecutan sucesivamente de arriba a abajo. Es posible ramificar cada subred, lo que da como resultado la creación de múltiples ramas dentro de una red.
A cada subred se le asigna un símbolo marcador (rectángulo) en el punto de ramificación, que puede seleccionar para ejecutar más comandos.
Sugerencia
El Copiar, Cortar, y Pasta Los comandos no están disponibles para subredes.

Para eliminar una subred, primero debes eliminar todos los elementos de la red y luego el símbolo marcador de la subred.
Para obtener más información, consulte: