Ejemplo de aplicación: control con dos manos
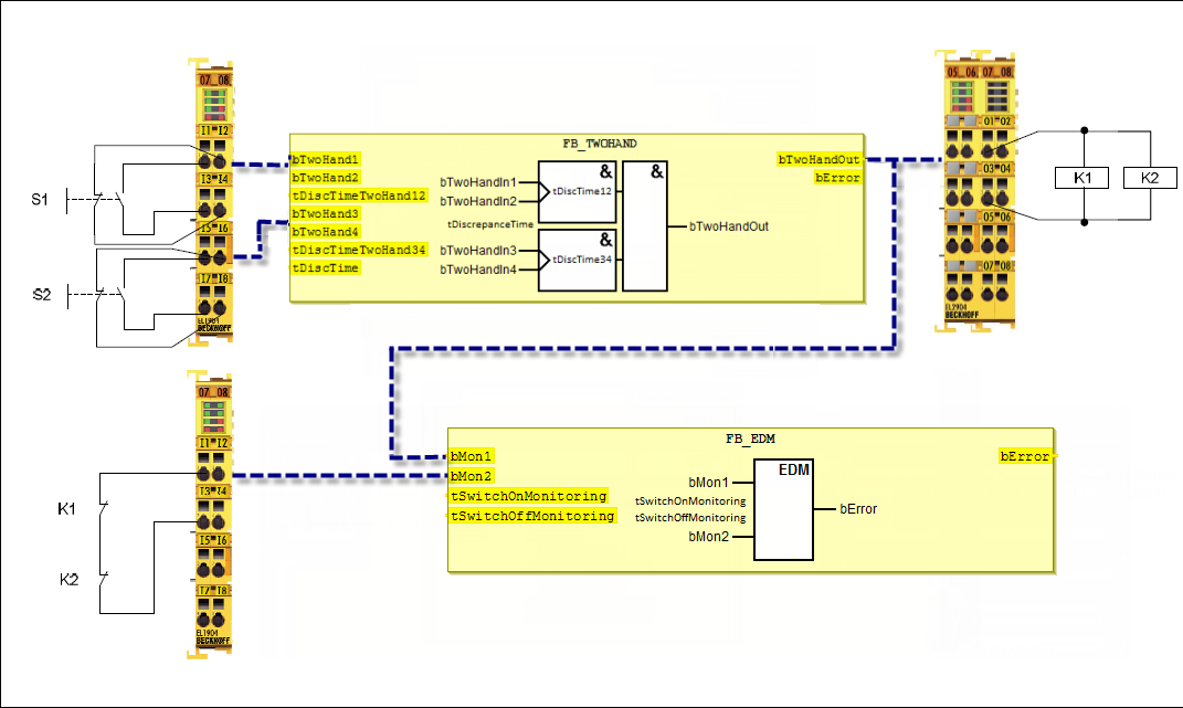
Como ejemplo de programación se utiliza un mando a dos manos (Categoría 4, PL e). CODESYS Safety for EtherCAT Safety Module e ilustrado como una implementación FBD.
Cada uno de los pulsadores de dos manos consta de una combinación de contactos normalmente cerrados y normalmente abiertos en las entradas seguras de un módulo de entrada (ejemplo: EL1904). La prueba de las entradas está activa y también se comprueba la discrepancia de las señales (200 ms). Además, el accionamiento sincrónico de los dos pulsadores se activa con un tiempo de vigilancia de 500 ms.
El circuito de retroalimentación se lee a través de una entrada segura. Los contactores K1 y K2 están conectados en paralelo a la salida segura. La medición de corriente y la prueba de la salida están activas para este circuito.


Nombre | Tipo de datos | Descripción |
|---|---|---|
|
| Pulsador de dos manos 1: NO (normalmente abierto) |
|
| Pulsador de dos manos 1: NC (normalmente cerrado) |
|
| Pulsador de dos manos 2: NO (normalmente abierto) |
|
| Pulsador de dos manos 2: NC (normalmente cerrado) |
|
| Contactos de |
Nombre | Tipo de datos | Descripción |
|---|---|---|
|
| Actuación de contactores |
|
| Bandera de error de |
|
| Bandera de error de |
Bloque de funciones | Aporte | Valor constante | Descripción |
|---|---|---|---|
|
|
| Tiempo de discrepancia entre el contacto NC y el contacto NO de |
|
|
| Tiempo de discrepancia entre el contacto NC y el contacto NO de |
|
|
| tiempo de discrepancia entre |
|
|
| Retardo de encendido |
|
|
| Retardo de desconexión |