Élément FBD/LD/IL : Branchement de ligne
Symbole: 
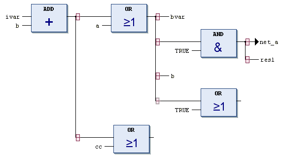
Cet élément est disponible dans les éditeurs LD et FBD et représente une branche ouverte. Une branche divise la ligne de traitement à partir de la position actuelle du curseur en deux sous-réseaux exécutés successivement de haut en bas. Vous pouvez également ramifier chaque sous-réseau, ce qui crée plusieurs branches au sein d'un même réseau.
Chaque sous-réseau reçoit un symbole marqueur (rectangle) au point de branchement, que vous pouvez sélectionner afin d'exécuter d'autres commandes.
Astuce
Le Copie, Couper, et Coller les commandes ne sont pas disponibles pour les sous-réseaux.

Pour supprimer un sous-réseau, vous devez d'abord supprimer tous les éléments du réseau, puis le symbole marqueur du sous-réseau.
Pour plus d'informations, voir :
Commande: Insérer un branchement de ligne
Commande: Insérer branchement de ligne en haut
Commande: Insérer branchement de ligne en bas