Exemple d'application : Commande bimanuelle
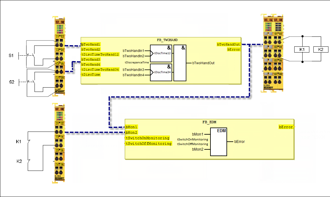
Une commande bimanuelle (Catégorie 4, PL e) est utilisée comme exemple de programmation de CODESYS Safety for EtherCAT Safety Module et illustré comme une implémentation FBD.
Les boutons-poussoirs bimanuels sont constitués chacun d'une combinaison de contacts normalement fermés et normalement ouverts sur les entrées sécurisées d'un module d'entrée (exemple : EL1904). Le test des entrées est actif et les signaux sont également vérifiés pour déceler toute divergence (200 ms). De plus, l'actionnement synchrone des deux boutons-poussoirs est activé avec un temps de surveillance de 500 ms.
La boucle de rétroaction est lue via une entrée sécurisée. Les contacteurs K1 et K2 sont connectés en parallèle à la sortie sécurisée. La mesure du courant et le test de la sortie sont actifs pour ce circuit.


Nom | Type de données | Description |
|---|---|---|
|
| Bouton-poussoir bimanuel 1 : NON (normalement ouvert) |
|
| Bouton-poussoir bimanuel 1 : NC (normalement fermé) |
|
| Bouton-poussoir bimanuel 2 : NON (normalement ouvert) |
|
| Bouton-poussoir bimanuel 2 : NC (normalement fermé) |
|
| Contacts de |
Nom | Type de données | Description |
|---|---|---|
|
| Actionnement des contacteurs |
|
| Indicateur d'erreur de |
|
| Indicateur d'erreur de |
Bloc fonctionnel | Saisir | Valeur constante | Description |
|---|---|---|---|
|
|
| Temps de divergence entre le contact NC et le contact NO de |
|
|
| Temps de divergence entre le contact NC et le contact NO de |
|
|
| Temps d’écart entre |
|
|
| Temporisation à l'enclenchement |
|
|
| Temporisation à l'arrêt |