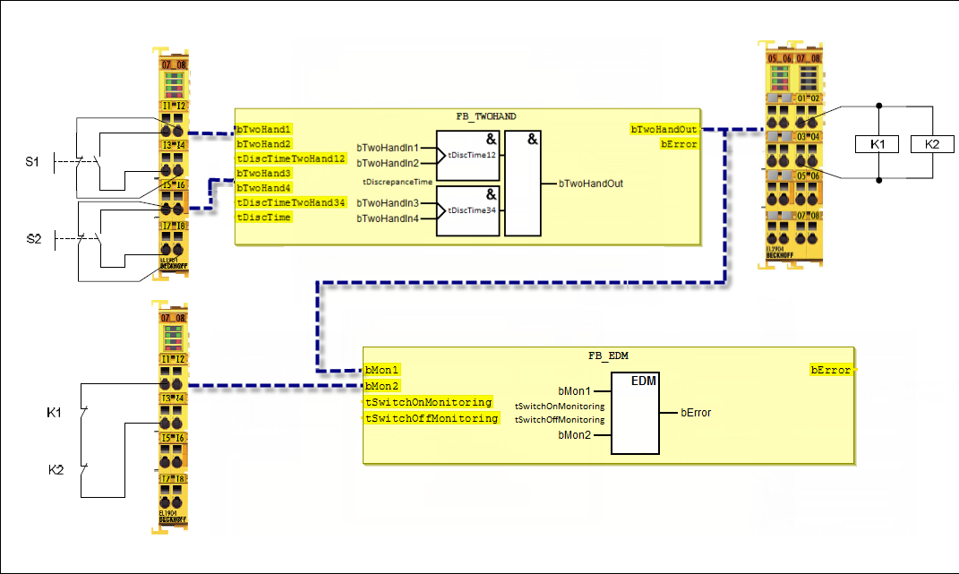
Esempio applicativo: controllo a due mani
Come esempio di programmazione viene utilizzato un comando a due mani (categoria 4, PL e). CODESYS Safety for EtherCAT Safety Module e illustrato come un'implementazione FBD.
Ciascun pulsante a due mani è costituito da una combinazione di contatti normalmente chiusi e normalmente aperti sugli ingressi sicuri di un modulo di ingresso (esempio: EL1904). Il test degli ingressi è attivo e viene verificata anche la discrepanza dei segnali (200 ms). Inoltre l'azionamento sincrono dei due pulsanti viene attivato con un tempo di monitoraggio di 500 ms.
Il circuito di feedback viene letto tramite un ingresso sicuro. I contattori K1 e K2 sono collegati in parallelo all'uscita sicura. Per questo circuito sono attivi la misura della corrente ed il test dell'uscita.


Nome | Tipo di dati | Descrizione |
|---|---|---|
|
| Pulsante a due mani 1: NO (normalmente aperto) |
|
| Pulsante a due mani 1: NC (normalmente chiuso) |
|
| Pulsante a due mani 2: NO (normalmente aperto) |
|
| Pulsante a due mani 2: NC (normalmente chiuso) |
|
| Contatti di |
Nome | Tipo di dati | Descrizione |
|---|---|---|
|
| Azionamento dei contattori |
|
| Flag di errore di |
|
| Flag di errore di |
Blocco funzione | Ingresso | Valore costante | Descrizione |
|---|---|---|---|
|
|
| Tempo di discrepanza tra contatto NC e contatto NO di |
|
|
| Tempo di discrepanza tra contatto NC e contatto NO di |
|
|
| Tempo di discrepanza tra |
|
|
| Ritardo di accensione |
|
|
| Ritardo di spegnimento |