アプリケーション例: 両手操作
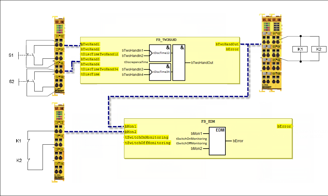
プログラミング例として、両手操作コントロール(カテゴリー4、PL e)が使用される。 CODESYS Safety for EtherCAT Safety Module FBD 実装として図解されています。
両手押しボタンはそれぞれ、入力モジュール (例: EL1904) の安全入力の常時閉接点と常時開接点の組み合わせで構成されています。入力のテストはアクティブであり、信号の不一致もチェックされます (200 ミリ秒)。さらに、2 つの押しボタンの同期作動は、500 ミリ秒の監視時間でアクティブ化されます。
フィードバック ループは安全入力を介して読み込まれます。コンタクタ K1 と K2 は安全出力に並列に接続されています。この回路では、電流の測定と出力のテストがアクティブになっています。


名前 | データ・タイプ | 説明 |
|---|---|---|
|
| 両手押しボタン 1: NO (通常開) |
|
| 両手押しボタン 1: NC (通常閉) |
|
| 両手押しボタン2: NO (通常開) |
|
| 両手押しボタン2: NC (通常閉) |
|
| 連絡先 |
名前 | データ・タイプ | 説明 |
|---|---|---|
|
| 接触器の作動 |
|
| エラーフラグ |
|
| エラーフラグ |
機能ブロック | 入力 | 定数値 | 説明 |
|---|---|---|---|
|
|
| NC接点とNO接点の不一致時間 |
|
|
| NC接点とNO接点の不一致時間 |
|
|
| 不一致時間 |
|
|
| スイッチオン遅延 |
|
|
| スイッチオフ遅延 |