断点位置
. 断点的可能位置
输出元素
描述了变量。
运算块元素
调用 POU。
返回元素
程序流程是有分支的。
选择器元素
描述了结构元素。
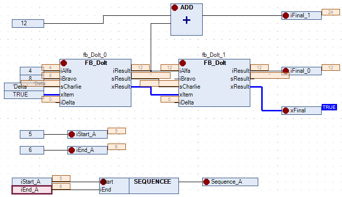
点击设置新断点或删除现有断点。框图中的红色圆圈表示活动断点。

重要
所有可调用的方法中都会自动设置断点。
因此,如果调用通过接口定义的方法,则在实现此接口的功能块的所有方法中都会设置断点。这也适用于所有定义方法的继承功能块。
输出元素
描述了变量。
运算块元素
调用 POU。
返回元素
程序流程是有分支的。
选择器元素
描述了结构元素。
点击设置新断点或删除现有断点。框图中的红色圆圈表示活动断点。

所有可调用的方法中都会自动设置断点。
因此,如果调用通过接口定义的方法,则在实现此接口的功能块的所有方法中都会设置断点。这也适用于所有定义方法的继承功能块。