Elemento: Estado compuesto
Puede usar este elemento para agrupar varios estados.
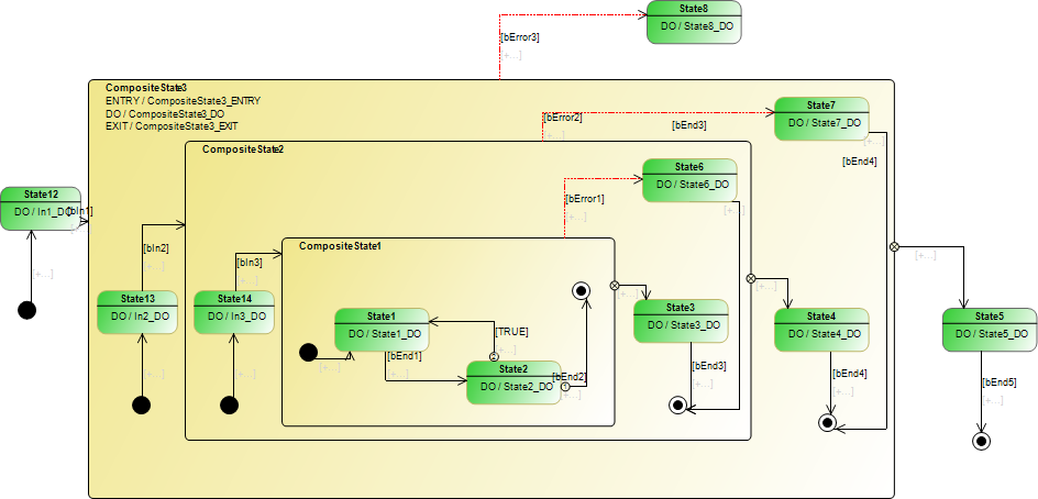
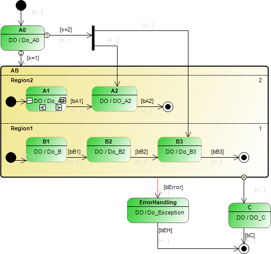
Estado ortogonal: Estado compuesto con dos o más regiones. En un estado ortogonal, los estados internos se agrupan en regiones y las regiones se priorizan. Controlan el orden de procesamiento en tiempo de ejecución. Los estados de las regiones se ejecutan en pseudo-paralelo de acuerdo con su secuencia interna.
Estado no ortogonal: Estado compuesto con exactamente una región. En un estado no ortogonal, los estados internos se ejecutan secuencialmente en tiempo de ejecución. Un estado interno también puede ser un estado compuesto. El anidamiento de estados no ortogonales puede tener cualquier profundidad, por lo que ninguno de los estados puede tener múltiples regiones, excepto el estado más interno.
Los estados ortogonales y no ortogonales también pueden llamar a un ENTRADA acción, un HACER acción, y un SALIDA acción. Cuando una transición de excepción está activa, el SALIDA se ejecuta la acción de cada estado activo de cada región del estado ortogonal.

El nombre del estado compuesto se muestra en la esquina superior izquierda del rectángulo. Las regiones están divididas por una línea discontinua. La prioridad de la región se muestra en la esquina superior derecha de la región.
Normas
No se permite una transición entre estados en diferentes regiones.
Un estado compuesto puede tener una o más transiciones de excepción salientes. Puede implementar el manejo de errores de manera eficiente, por ejemplo, con una transición de excepción.
Un estado compuesto tiene como máximo una transición de finalización. Por lo tanto, cada región incluye un estado inicial y un estado final. El estado compuesto alcanza su estado final cuando todas las regiones han alcanzado sus estados finales. Si un estado compuesto no tiene una transición de finalización saliente, es posible que las regiones no tengan un estado inicial o un estado final.
Una transición a un estado dentro de un estado ortogonal solo se permite desde una bifurcación y siempre es incondicional.
Un estado no ortogonal puede contener otro estado compuesto. En este caso, los estados están anidados.
Un estado compuesto no ortogonal puede tener un asignado ENTRADA acción y/o HACER acción y/o SALIDA acción.
Propiedades
Propiedad | Descripción |
|---|---|
identificador | Nombre del estado compuesto Ejemplo: |
Color | Color del elemento. Puede cambiar el color mediante un cuadro de diálogo de selección de color. Predeterminado: Amarillo |
Permitir acciones de ENTRADA / HACER / SALIR | Requisito: El estado compuesto seleccionado tiene exactamente una región. Las acciones ENTRY, DO y EXIT también se pueden asignar para los siguientes casos de uso:
|
Ejecutar acciones DO incluso si los estados compuestos internos están activos | La opción está disponible solo para el estado compuesto más externo y es heredada por los internos.
|
Entrada del usuario
Acción | Descripción |
|---|---|
| Nota: Si no hace clic en un elemento existente, sino en un área en blanco, se crea un nuevo estado. agregas un |
| La prioridad se muestra a la derecha en la región. Las regiones con una prioridad más baja se procesan primero. Puede cambiar la prioridad. CODESYS adapta las prioridades de las otras regiones automáticamente. |
| Después de eliminar la línea de separación, las dos regiones (separadas por el borde) se fusionan en una sola región. |
Ahora se puede cambiar la prioridad. | Cuando se cambia la prioridad, las otras prioridades se adaptan automáticamente. |
| Requisito: El Permitir acciones de ENTRADA / HACER / SALIR se selecciona la propiedad. El objeto de acción puede ser una acción o un método. Si la acción es un método, también debe definir el tipo de devolución y el tipo de acceso en el Nuevo objeto de acción diálogo. La asignación al objeto de acción se puede cambiar en las propiedades del elemento. Un estado puede tener una acción de ENTRADA, una acción de HACER y una acción de SALIDA:
SugerenciaTambién puede agregar o cambiar las acciones o métodos en las propiedades del elemento. |
Ejemplos




Ejemplo: Ascensor Ascensor











