Élément : état composite
Vous pouvez utiliser cet élément pour regrouper plusieurs états.
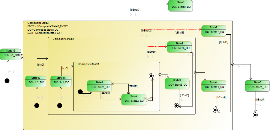
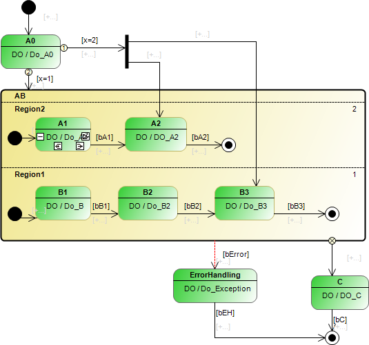
État orthogonal : État composite avec deux régions ou plus. Dans un état orthogonal, les états internes sont regroupés en régions et les régions sont classées par ordre de priorité. Ils contrôlent l'ordre de traitement au moment de l'exécution. Les états des régions sont exécutés en pseudo-parallèle selon leur séquencement interne.
État non orthogonal : État composite avec exactement une région. Dans un état non orthogonal, les états internes sont exécutés séquentiellement au moment de l'exécution. Un état interne peut également être un état composite. L'imbrication d'états non orthogonaux peut avoir n'importe quelle profondeur, aucun des états ne pouvant avoir plusieurs régions, à l'exception de l'état le plus interne.
Les états orthogonaux et non orthogonaux peuvent également appeler un ENTRÉE action, une FAIS action, et une SORTIR action. Lorsqu'une transition d'exception est active, la SORTIR l'action de chaque état actif de chaque région de l'état orthogonal est exécutée.

Le nom de l'état composite s'affiche dans le coin supérieur gauche du rectangle. Les régions sont divisées par une ligne pointillée. La priorité de la région est affichée dans le coin supérieur droit de la région.
Des règles
Une transition n'est pas autorisée entre les États de différentes régions.
Un état composite peut avoir une ou plusieurs transitions d'exception sortantes. Vous pouvez implémenter efficacement la gestion des erreurs, par exemple, avec une transition d'exception.
Un état composite a au plus une transition d'achèvement. Par conséquent, chaque région comprend un état initial et un état final. L'état composite atteint son état final lorsque toutes les régions ont atteint leurs états finaux. Si un état composite n'a pas de transition d'achèvement sortante, les régions peuvent ne pas avoir d'état de début ou d'état de fin.
Une transition vers un état à l'intérieur d'un état orthogonal n'est autorisée qu'à partir d'une bifurcation et est toujours inconditionnelle.
Un état non orthogonal peut contenir un autre état composite. Dans ce cas, les états sont imbriqués.
Un état composite non orthogonal peut avoir un état assigné ENTRÉE actions et/ou FAIS actions et/ou SORTIR action.
Propriétés
Biens | La description |
|---|---|
Identifiant | Nom de l'état composite Exemple: |
Couleur | Couleur de l'élément. Vous pouvez modifier la couleur à l'aide d'une boîte de dialogue de sélection de couleur. Par défaut : jaune |
Autoriser les actions ENTRY / DO / EXIT | Exigence : L'état composite sélectionné a exactement une Région. Les actions ENTRY, DO et EXIT peuvent également être attribuées pour les cas d'utilisation suivants :
|
Exécuter des actions DO même si les états composites internes sont actifs | L'option est disponible uniquement pour l'état composite le plus externe et héritée par les états internes.
|
Entrée utilisateur
action | La description |
|---|---|
| Remarque : Si vous ne cliquez pas sur un élément existant, mais dans une zone vide, alors un nouvel état est créé. Vous ajoutez un |
| La priorité est affichée à droite dans la région. Les régions avec une priorité inférieure sont traitées en premier. Vous pouvez modifier la priorité. CODESYS adapte automatiquement les priorités des autres régions. |
| Une fois la ligne de séparation supprimée, les deux régions (séparées par la bordure) fusionnent en une seule région. |
Maintenant, la priorité peut être modifiée. | Lorsque la priorité est modifiée, les autres priorités sont automatiquement adaptées. |
| Exigence : Le Autoriser les actions ENTRY / DO / EXIT propriété est sélectionnée. L'objet action peut être une action ou une méthode. Si l'action est une méthode, vous devez également définir le type de retour et le type d'accès dans le Nouvel objet d'action dialogue. L'affectation à l'objet d'action peut être modifiée dans les propriétés de l'élément. Un état peut avoir une action ENTRY, une action DO et une action EXIT :
AstuceVous pouvez également ajouter ou modifier les actions ou les méthodes dans les propriétés de l'élément. |
Exemples




Exemple : Ascenseur Ascenseur











