Elemento: stato composito
Puoi usare questo elemento per raggruppare più stati insieme.
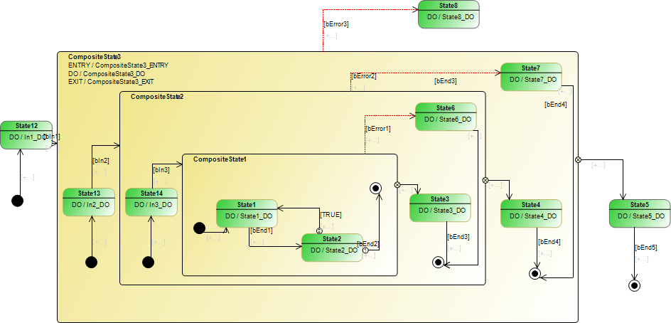
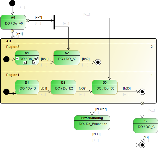
Stato ortogonale: stato composito con due o più regioni. In uno stato ortogonale, gli stati interni sono raggruppati in regioni e le regioni hanno la priorità. Controllano l'ordine di elaborazione in fase di esecuzione. Gli stati delle regioni sono gestiti in pseudoparallelo secondo la loro sequenza interna.
Stato non ortogonale: stato composito con esattamente una regione. In uno stato non ortogonale, gli stati interni vengono eseguiti in sequenza in fase di esecuzione. Uno stato interno può anche essere uno stato composito. L'annidamento di stati non ortogonali può avere qualsiasi profondità, per cui nessuno degli stati può avere più regioni, ad eccezione dello stato più interno.
Gli stati ortogonali e non ortogonali possono anche chiamare an ISCRIZIONE azione, A FARE azione, e un USCITA azione. Quando è attiva una transizione di eccezione, il USCITA viene eseguita l'azione di ogni stato attivo di ciascuna regione dello stato ortogonale.

Il nome dello stato composto viene visualizzato nell'angolo superiore sinistro del rettangolo. Le regioni sono divise da una linea tratteggiata. La priorità della regione viene visualizzata nell'angolo superiore destro della regione.
Regole
Non è consentita una transizione tra stati in regioni diverse.
Uno stato composito può avere una o più transizioni di eccezione in uscita. È possibile implementare la gestione degli errori in modo efficiente, ad esempio con una transizione di eccezione.
Uno stato composito ha al massimo una transizione di completamento. Pertanto ogni regione include uno stato iniziale e uno stato finale. Lo stato composito raggiunge il suo stato finale quando tutte le regioni hanno raggiunto il proprio stato finale. Se uno stato composito non ha una transizione di completamento in uscita, le regioni potrebbero non avere uno stato iniziale o uno stato finale.
Una transizione a uno stato all'interno di uno stato ortogonale è consentita solo da un fork ed è sempre incondizionata.
Uno stato non ortogonale può contenere un altro stato composito. In questo caso, gli stati sono annidati.
Uno stato composito non ortogonale può avere un assegnato ISCRIZIONE azione e/o FARE azione e/o USCITA azione.
Proprietà
Proprietà | Descrizione |
|---|---|
Identificatore | Nome dello stato composto Esempio: |
Colore | Colore dell'elemento. È possibile modificare il colore utilizzando una finestra di dialogo di selezione del colore. Predefinito: giallo |
Consenti azioni ENTRY / DO / EXIT | Requisito: lo stato composito selezionato ha esattamente uno regione. Le azioni ENTRY, DO ed EXIT possono essere assegnate anche per i seguenti casi d'uso:
|
Eseguire azioni DO anche se gli stati compositi interni sono attivi | L'opzione è disponibile solo per lo stato composito più esterno ed è ereditata da quelli interni.
|
Input dell'utente
Azione | Descrizione |
|---|---|
| Nota: se non si fa clic su un elemento esistente, ma in un'area vuota, viene creato un nuovo stato. Aggiungi un |
| La priorità è visualizzata a destra nella regione. Le regioni con una priorità più bassa vengono elaborate per prime. Puoi cambiare la priorità. CODESYS adatta automaticamente le priorità delle altre regioni. |
| Dopo che la linea di separazione è stata eliminata, le due regioni (separate dal bordo) si uniscono in un'unica regione. |
Ora è possibile modificare la priorità. | Quando la priorità viene modificata, le altre priorità vengono adattate automaticamente. |
| Requisito: il Consenti azioni ENTRY / DO / EXIT la proprietà è selezionata. L'oggetto azione può essere un'azione o un metodo. Se l'azione è un metodo, devi anche definire il tipo restituito e il tipo di accesso nel file Nuovo oggetto azione dialogo. L'assegnazione all'oggetto azione può essere modificata nelle proprietà dell'elemento. Uno stato può avere un'azione ENTRY, un'azione DO e un'azione EXIT:
SuggerimentoPuoi anche aggiungere o modificare le azioni oi metodi nelle proprietà dell'elemento. |
Esempi




Esempio: ascensore ascensore











