要素:複合状態
この要素を使用して、複数の状態をグループ化できます。
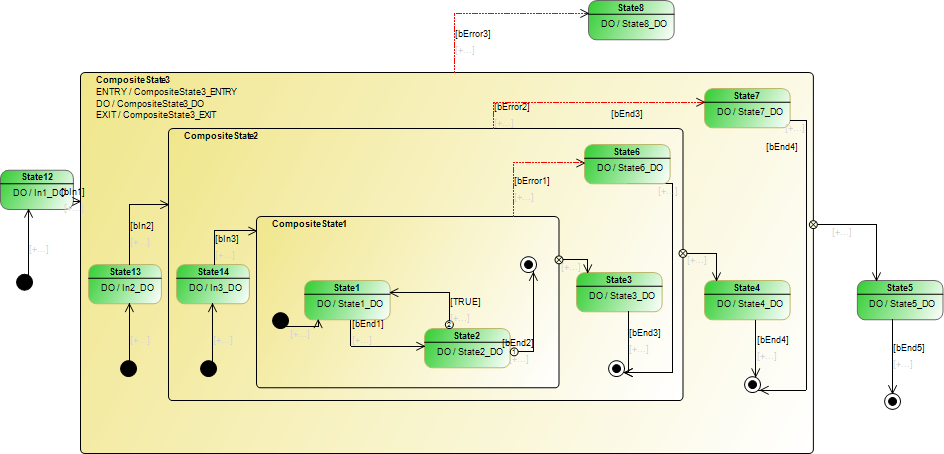
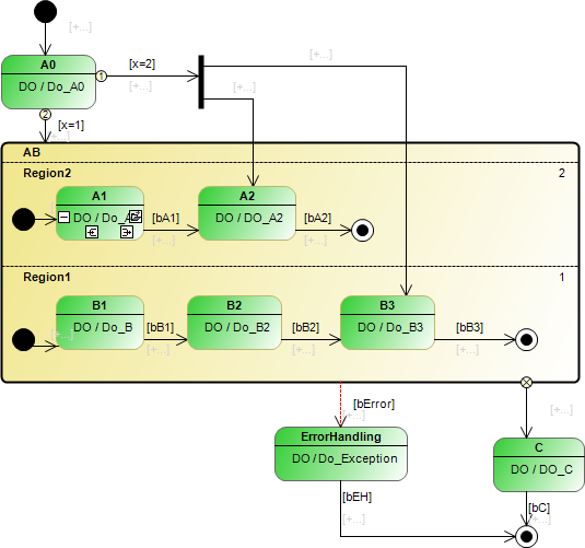
直交状態:2つ以上の領域を持つ複合状態。直交状態では、内部状態が領域にグループ化され、領域が優先されます。これらは、実行時に処理順序を制御します。領域の状態は、内部シーケンスに従って疑似並列で実行されます。
非直交状態: 領域が 1 つだけある複合状態。非直交状態では、内部状態は実行時に順番に実行されます。内部状態は複合状態になることもあります。非直交状態の入れ子には任意の深さを持たせることができ、最も内側の状態を除いて、どの状態も複数の領域を持つことができません。
直交状態と非直交状態は、 エントリ アクション、 する アクション、および 出口 アクション。例外遷移がアクティブな場合、 出口 直交状態の各領域の各アクティブ状態のアクションが実行されます。

複合状態の名前は、長方形の左上隅に表示されます。リージョンは破線で区切られています。リージョンの優先度は、リージョンの右上隅に表示されます。
ルール
異なる地域の州間での移行は許可されていません。
複合状態には、1つ以上の発信例外遷移を含めることができます。たとえば、例外遷移を使用して、エラー処理を効率的に実装できます。
複合状態には、最大で1つの完了遷移があります。したがって、各リージョンには1つの開始状態と1つの終了状態が含まれます。複合状態は、すべての領域が最終状態に達したときに終了状態に達します。複合状態に出力完了遷移がない場合、リージョンには開始状態または終了状態がない可能性があります。
直交状態内の状態への遷移は、フォークからのみ許可され、常に無条件です。
非直交状態には、別の複合状態を含めることができます。この場合、状態はネストされています。
非直交複合状態には、を割り当てることができます エントリ アクションおよび/または する アクションおよび/または 出口 アクション。
プロパティ
財産 | 説明 |
|---|---|
識別子 | 複合状態の名前 例: |
色 | 要素の色。色選択ダイアログを使用して色を変更できます。デフォルト:黄色 |
ENTRY / DO / EXITアクションを許可する | 要件:選択された複合状態は正確に 一 領域。 ENTRY、DO、およびEXITアクションは、次のユースケースにも割り当てることができます。
|
内部複合状態がアクティブな場合でも、DOアクションを実行します | このオプションは、最も外側の複合状態でのみ使用可能であり、内部状態に継承されます。
|
ユーザー入力
アクション | 説明 |
|---|---|
| 注:既存の要素をクリックせずに空白の領域をクリックすると、新しい状態が作成されます。 追加します |
| 地域の右側に優先度が表示されます。優先度の低いリージョンが最初に処理されます。優先度を変更できます。 CODESYS 他の地域の優先順位を自動的に適応させます。 |
| 区切り線が削除された後、2つの領域(境界線で区切られている)が1つの領域にマージされます。 |
これで、優先度を変更できます。 | 優先度が変更されると、他の優先度が自動的に調整されます。 |
| 要件: ENTRY / DO / EXITアクションを許可する プロパティが選択されています。 アクションオブジェクトは、アクションまたはメソッドにすることができます。アクションがメソッドの場合は、リターンタイプとアクセスタイプも定義する必要があります。 新しいアクションオブジェクト ダイアログ。アクションオブジェクトへの割り当ては、要素のプロパティで変更できます。 状態には、ENTRYアクション、DOアクション、およびEXITアクションを含めることができます。
ヒント要素のプロパティでアクションまたはメソッドを追加または変更することもできます。 |
例




例: エレベーター











